Sorgen Sie mit CHC Navigation für Genauigkeit bei Ihren Geodatenprojekten.
Erfahren Sie mehr + Weiter mit Geodaten2021-09-01
PROJEKTHINTERGRUND
Flüsse nähren das Land, erhalten das ökologische Gleichgewicht und fördern die landwirtschaftliche Entwicklung, aber wenn die Veränderungen im Abfluss der großen Flüsse nicht bekannt sind, kann es zu Überschwemmungen oder Dürren kommen. Von großen Flüssen bis hin zu kleinen Bächen waren die Überwachung von Geschwindigkeit und Durchfluss schon immer ein Problem für die hydrografische Messung. Frühe repräsentative Geräte wie mechanische Strömungsmesser, gedruckte Strömungsmesser, elektromagnetische Strömungsmesser usw. können nur die Fließgeschwindigkeit an einem Punkt messen und sind nicht in der Lage, den Durchfluss im Querschnitt genau zu erfassen. Mit dem Aufkommen des Acoustic Doppler Velocity Profiler (ADCP), der die Geschwindigkeit jeder Schicht des gesamten Abschnitts messen kann, lässt sich die Strömung von Flüssen intuitiver und genauer darstellen, weshalb er von den Nutzern der Hydrologie weltweit bevorzugt wird.
BENUTZER MALEN PUNKTE
Derzeit sind die Methoden, die traditionellen hydrologischen Nutzer tragen ADCP für Querschnitt Strömungsmessung vor allem Seilbahn Schleppen, wird auf einem unbemannten Boot montiert, Schleppen durch einen Trimaran, etc.
Daher lassen sich die Probleme wie folgt auflisten:
1. Die Installation der Ausrüstung zum Schleppen in einer Seilbahn ist kostspielig und kompliziert in der Wartung.
2. Das künstliche Boot ist unflexibel, wenn es ADCP zur Durchflussmessung trägt. Der Weg entlang der Strecke ist oft nicht gerade, was zu schlechten Datenergebnissen führt und bei turbulenter Strömung eine Gefahr für die Menschen darstellt.
3. Der Verlust von Tracking-Daten an der Unterseite des ADCP führt zu fehlenden Strömungsmessdaten, außerdem kann die Umgebung leicht die Genauigkeit des Kompasses beeinträchtigen.

Abbildung 1. Apache 4 USV führt die hydrologische Untersuchung durch
LÖSUNG
Mit dem APACHE 4, einem autonomen hydrographischen Vermessungsfahrzeug, können die hohen Wartungskosten für das Schleppen von Fischen in einer Seilbahn vermieden werden; es ist kompakt, leicht zu starten und am Einsatzort zu handhaben und arbeitet effektiv in einer engen Umgebung. Außerdem kann es bequem mit dem Auto transportiert werden.
Die APACHE 4 wurde mit einem Einstrahlecholot und einem ADCP ausgestattet, um den Verlust der durch die Umweltbedingungen gefährdeten Boden- und Kompassdaten des ADCP auszugleichen. Dieses USV unterstützt eine Vielzahl von auf dem Markt erhältlichen ADCP-Systemen; es bietet eine unbemannte Betriebslösung mit geringem Tiefgang, hoher Navigationsgenauigkeit und stabilem Schwebeflug für Hydrologen bei der Messung der Fließgeschwindigkeit und des Abflusses im aktuellen Abschnitt.
Das APACHE 4 USV vereint das Beste aus hochpräziser Positionierungs- und automatischer Navigationssteuerungstechnologie, die auf die Gewohnheiten des Bedieners bei der Durchführung hydrographischer ADCP-Querschnittsmessungen abgestimmt ist. Selbst in Umgebungen mit Hindernissen, die die GNSS-Positionierung beeinträchtigen könnten, liefert das interne GNSS+IMU-Modul weiterhin eine zuverlässige Position und einen zuverlässigen Kurs für das ADCP und den Autopiloten. Damit ist der APACHE 4 die perfekte Lösung für hochwertige Durchfluss- und Geschwindigkeitsmessungen in Gewässern, in denen ein Zugang mit dem Boot nicht möglich ist.
WICHTIGSTE MERKMALE DES APACHE 4 USV ZUR ERFOLGREICHEN DURCHFÜHRUNG DES PROJEKTS
SCHRITTE ZUR PROJEKTDURCHFÜHRUNG
1. INSTALLATION
Das ADCP-Installationsloch mit einem Durchmesser von 17 cm befindet sich im Schwerpunkt des Rumpfes des USV und ist mit den meisten auf dem Markt erhältlichen ADCPs kompatibel. In diesem Projekt ist APACHE 4 mit dem D230 Einstrahl-Echolot von CHCNAV und dem RiverPro ADCP von Teledyne RD Instrument ausgestattet. Daher können die Benutzer sie vor Ort schnell installieren und entfernen.

Abbildung 2. Der Einbau des ADCP in den APACHE 4
2. EINSATZPLANUNG
Entlang des Flussquerschnitts wurde in der AutoPlanner-Software vorab eine Rundfahrtlinie geplant, der das APACHE 4 USV autonom folgen sollte, um die Tiefen- und Strömungsdaten zu erfassen.
Abbildung 3. Eine für die Erhebung mit dem APACHE 4 geplante Rundfahrtroute
3. AUTONOMER HYDROLOGISCHER BETRIEB
Bei diesem Projekt überträgt der APACHE 4 die ADCP-Daten über das 4G-Netz an die Software der Bodenstation an Land. Nach der Konfiguration der ADCP-Daten, der NMEA-GPGGA-Positionierung und des Zugriffs auf die GPHDT-Orientierungsdaten sowie der Einstellung der Entfernung zum Ufer in der WinRiver II-Software geht APACHE 4 in den Festpunkt-Schwebemodus am Ufer über und wird freigegeben, nachdem das ADCP die Daten vom Ufer erfasst hat.
Dann wurde APACHE 4 mit dem D230 Einstrahl-Echolot und dem RiverPro ADCP ausgestattet, um automatisch entlang der geplanten Flussquerschnittslinie zu navigieren, und die Software zeichnete die Querschnittsdaten des Strömungsprofils auf.

Abbildung 4. APACHE 4 sammelt die Daten für eine Vermessung
4. DATENERFASSUNG
Bei diesem Projekt wurde das APACHE 4 USV mit dem RiverPro ADCP ausgestattet und führte zwei Rundfahrten zur Messung des Durchflussquerschnitts in nur 20 Minuten durch, wodurch sich die Zeit für eine einmalige Rundfahrt auf 2 Stunden verkürzte und der Personalaufwand auf 2 Personen reduziert wurde.

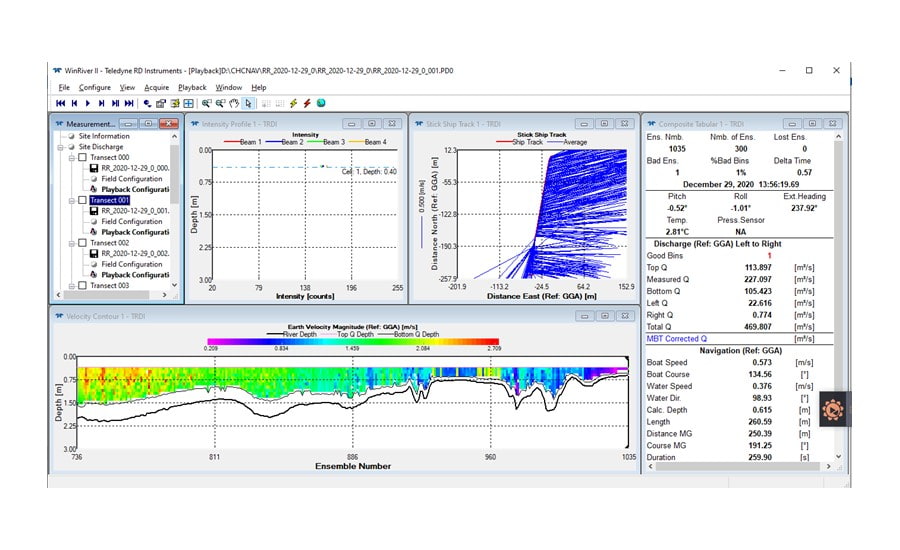
Abbildung 5. Daten nach der ersten Hin- und Rückfahrtmessung

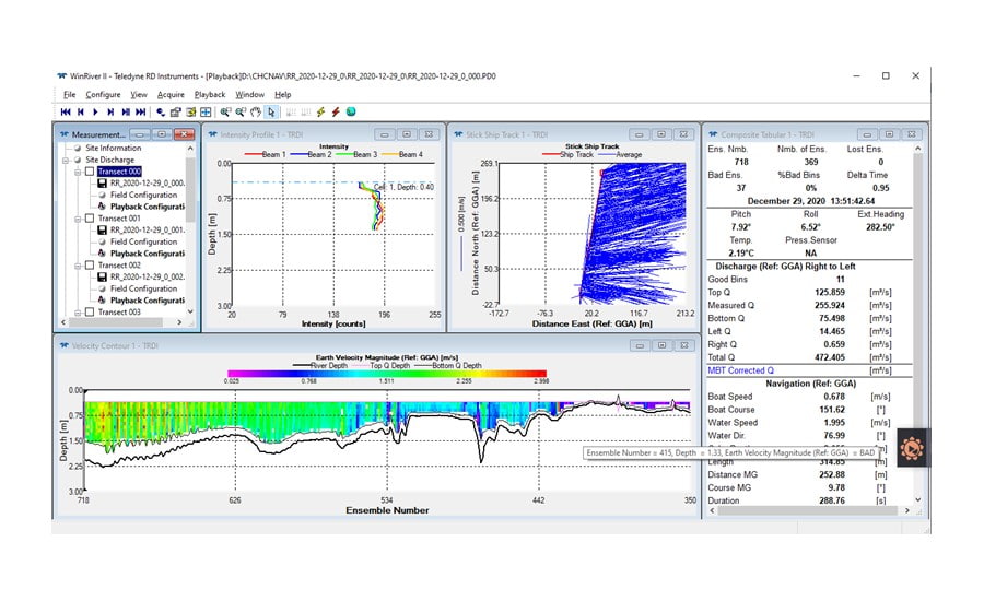
Abbildung 6. Daten nach der zweiten Hin- und Rückfahrtmessung
5. ZUSAMMENFASSUNG
Der Vergleichsfehler des Gesamtdurchflusses der beiden Messrunden beträgt nur 0,39 %, was weit besser ist als die 5 %, die von der Spezifikation der Durchflussmessgenauigkeit dieses Projekts gefordert werden.
Die Benutzer haben die hohe Effizienz und die hohe Genauigkeit von APACHE 4 sehr gelobt.
SCHLUSSFOLGERUNG
Die Wasserwirtschaft ist heute einer der gefährlichsten Industriezweige, in dem menschliche Faktoren etwa 70 % der Unfälle verursachen. Die integrierten Anwendungen der USV haben begonnen, den Arbeitsstatus des betreffenden Personals und der Schiffe zu verändern. Das Personal wird bereits teilweise von den Booten an Land verlegt, wenn die Boote mit intelligenten Sensoren ausgestattet sind, um autonom zu navigieren. Dadurch werden die Betriebskosten gesenkt und die Effizienz und Messgenauigkeit erheblich verbessert.
APACHE 4, das autonome USV zur Durchflussmessung, löst die Probleme im Zusammenhang mit der geringen Navigations- und Messgenauigkeit, der kurzen Datenübertragungsstrecke, der geringen Arbeitseffizienz und der Abschätzung der Durchflussentfernung am Ufer, die bei hydrologischen Erhebungen so häufig auftreten. Es erfüllt die Anforderungen der Messspezifikationen und innoviert die Art und Weise, wie wir hydrologische Erhebungen durchführen.
___
Über CHCNAV
CHC Navigation (CHCNAV) entwickelt innovative GNSS-Navigations- und Positionierungslösungen, um die Arbeit der Kunden effizienter zu gestalten. Die Produkte und Lösungen von CHCNAV decken zahlreiche Branchen ab, wie z. B. Geodaten, Bauwesen, Landwirtschaft und Schifffahrt. Mit einer weltweiten Präsenz, Vertriebspartnern in mehr als 120 Ländern und mehr als 1.500 Mitarbeitern ist CHC Navigation heute als eines der am schnellsten wachsenden Unternehmen im Bereich der Geomatik-Technologien anerkannt.
Haben Sie eine Frage zu unseren Lösungen oder Händlermöglichkeiten?